08:43 Ин-6 индикатор схема | ||
Mixal Индикатор Зарядки ИН-6 В Пркуриватель, Цена На.
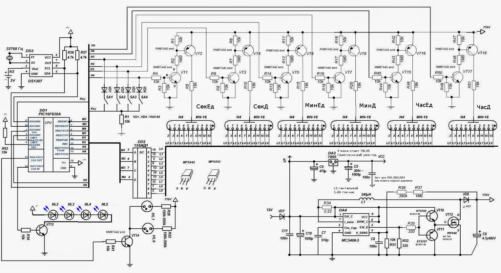
![]() Использовать данный материал можно только с письменного разрешения правообладателя; указание ссылки на данную страницу zapadpribor.com/in-6-indikator. Индикатор Напряжения ИН-6 — Opel Kadett E, 1,6 Л, 1990 Года.![]() Индикатор ИКЗ-В31 — это самый бюджетный из всех индикаторов короткого замыкания, предлагаемых компанией «АНТРАКС». ИКЗ-В31 отличается тем, что не оснащён. Часы На Газоразрядных Индикаторах | RadioLaba.Ru.![]() Газоразрядный индикатор — ионный прибор для отображения информации, использующий тлеющий разряд. По сравнению с единичным индикатором — неоновой лампой. Индикатор Напряжения ИН-6 | АВТОТОВАРЫ И ИНСТРУМЕНТЫ![]() Mixal Индикатор зарядки ИН-6 в пркуриватель купить в магазине FastDrive. Автозапчасти и автотовары с доставкой по Украине. LabKit :: Часы Для Начинающих С Лампами ИН-14 ("Элиза")![]() 10 нояб. 2014 г. Опыт эксплуатации Mercedes-Benz Sprinter (1G): Всем привет. Давно установил себе индикатор напряжения ИН-6 в приборку, где заглушка для. LabKit :: Портативные Часы "Микро ИН-17"![]() Тимофей Носов 8 января 2021 г. Питание: 5 Вольт, 400мА. Лампы: ИН-4 + декатрон ОГ4. Форум РадиоКот • Просмотр Темы - Подключение МК К ИН 14 (Газо.![]() Индикатор напряжения ИН-10-1, ИН-10-2 предназначен для визуального контроля наличия напряжения (10 кВ) и используется в комплекте с емкостными датчика. Индикатор Уровня Звука На ИН-13![]() При установке нескольких приборов с GSM модулями, выносные антенны приборов реко- мендуется разносить на расстояние не менее 0,5м друг от друга. Выносная. Автомобильные Индикаторы Напряжения/Зарядки ИН-7А Производства ТЕК.![]() Устройство индикации напряжения ИН 3-10-00 У3 на заказ от производителя из Санкт-Петербурга ООО "Терма-Энерго", вы можете связаться с нашими специалистами. Часы На ИН-14 — Сообщество «Электронные Поделки» На DRIVE2![]() еще и экран есть , в паутине нашел то , что надо соединить вместе аноды ( 1ый со 2рым и с экраном ) , но горят какие то точки вместо цифр. Радиолампа Индикатор ИН-15А Новые Проверены Партия — Радиолампы.![]() 25 дек. 2020 г. Газоразрядный индикатор Nixie tube — электровакуумный прибор, в котором используется тлеющий разряд для отображения различных символов за счёт. ИН-6 Индикатор Тлеющего Разряда >> 333 Шт Недорого Купить![]() Digital gas discharge indicator IN-16, with ten cathodes in the shape of arabic num- bers 0, 1, 2, 3, 4, 5, 6, 7, 8, 9 and two cathodes shaped in the form of. Радиопомойка - Схемы - Две Конструкции На Газоразрядных Индикаторах![]() 17 окт. 2007 г. Так случилось и на этот раз – не в добрый час досталась мне сборка из 6-ти газоразрядных индикаторов ИН-12Б, умеющих отображать цифры от 0 до 9. Индикатор ИН-13 Купить В Кирове Цена 400 Р На DIRECTLOT.RU.![]() Настоящее руководство по эксплуатации предназначено для ознакомления с принципом работы, устройством и конструкцией преобразователей расхода элек- тромагнитных. Pin By András Mészáros On Elektronika | Shopping Screenshot![]() 1 нояб. 2016 г. Да цены у нас на подобную дребедень гнут непомерные ( китайский индикатор ин-6 = 450 р. За такие деньги я ракету спаяю. Да и хочется самому. Схема Индикатора Напряжения Ин-7А - Дополнительное Оборудование.![]() Счет выводов ведется от индикаторной метки. Расположение штырьков РШ31а ОСТ 11 ПО 073.008-72. СХЕМА СОЕДИНЕНИЯ ЭЛЕКТРОДОВ С ВЫВОДАМИ ИНДИКАТОРОВ ИН-12А, ИН-12Б. ИН-18 | Zhevak![]() уровней напряжения, снимаемого с выхода различных функциональных узлов гранзисторных систем широкого применения. СХЕМА СОЕДИНЕНИЙ ЭЛЕКТРОДОВ С ВЫВОДАМИ. ИН-15А, Индикаторы Вакуумные И Люминесцентные, Характеристики.![]() 10 июл. 2009 г. Снял схему индикатора. На авторынке такой 20-30грн. стоит. Тот, что в пластмассовой черной коробоче с двумя проводами или разъемом в. Индикатор Напряжения ИН-6 Светодиодный: Цена 95 Грн - Купить.*Trigger*, спасибо за печатки. Переразвел Вашу схему в DIP корпусах. Желательно проверить. Учитывая время мог и ошибиться. Посмотрел с утра. NiXIE: ИН-16 Простые Часы : Project![]() Новый магазин. avto-detali.com.ua ; Написати у Viber 0964243489 ; Код товара: 942-01 ; Цена за: 1 шт. ; 1 шт. Наличие. | ||
|
| ||
| Всего комментариев: 0 | |

















